事業と製品
貯水機能付給水管 [ mopit-Q ]
直結給水方式でもいざというときの「水」を確保
地震など有事の際に断水になった場合、貯水機能をもたない「直結給水方式」のデメリットを改善。直結給水管の途中に球形タンクのような貯水機能のついた給水管を設置することで通常時は直結給水、いざというときは容量分の「水」を確保することができます。

ステンレス製貯水機能付給水管の仕組みと特長
- 清潔で耐久性の高いステンレス製。
- メーターボックスの施設側に設置いたします。
- 2m径の球形型で、4m³の飲料水を確保可能です。
直結給水方式の場合

断水時、給水がすぐさま不可能に!
貯水機能付給水管を設置した場合

断水時、貯水分を緊急用水として確保できます

平常時は給水管の一部として利用し、非常時に配管が破損しても内部立上管までの高さの飲料水を確保できます。
水の圧力がなくなると、上部空気弁より自然に空気が入ってきます。
製品ラインナップ
| 型式 | mopit-Q2 | mopit-Q3 | mopit-Q4 | mopit-Q5 | mopit-Q6 |
|---|---|---|---|---|---|
| 有効容量(m²) | 2.0 | 3.0 | 4.0 | 5.0 | 6.0 |
| 球形φA(mm) | φ1600 | φ1830 | φ2000 | φ2150 | φ2280 |
| 有効水位B(mm) | 1300 | 1530 | 1700 | 1850 | 1980 |
| 全高C(mm) | 2607 | 2785 | 2941 | 3074 | 3081 |
| 概算製品重量(kg) | 700 | 800 | 870 | 1070 | 1150 |
| 災害時における 飲料水の確保可能人数(人) |
222 | 333 | 444 | 555 | 666 |
- mopit-Q6のみ架台高さが900mmHとなります。
- 災害発生から、3日間は1人当たり1日3リットルの飲料水が必要として換算しています。
- 吸排気弁25A 2個付となります。


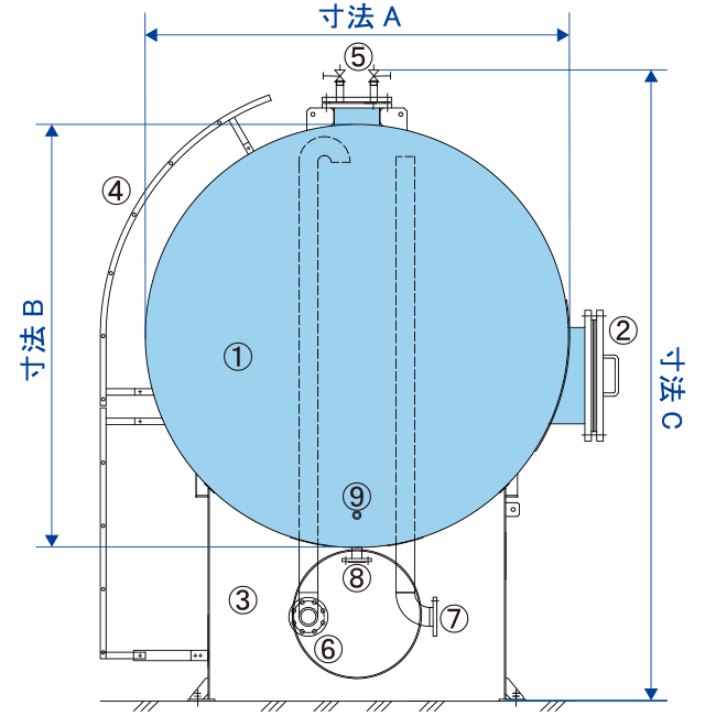
基本仕様
| 記号 | 名称 | 仕様 |
|---|---|---|
| ① | 本体 | SUS304 3t |
| ② | マンホール | 450A JIS10KF(SS400) SUS304 ライニング 溶融亜鉛メッキ仕上 |
| ③ | 架台 | 1000H(mopit-Q6のみ900H) SS400 溶融亜鉛メッキ仕上 但し溶接部はローバル仕上 |
| ④ | 外タラップ | SGP/RB 溶融亜鉛メッキ仕上 |
| ⑤ | 吸排気弁 | 25A NAV-0DCⅡ |
| ⑥ | 流入口 | JIS10KF(SUS304) |
| ⑦ | 流出口 | JIS10KF(SUS304) |
| ⑧ | ドレン口 | JIS10KF(SUS304) |
| ⑨ | 排水口 | ソケット(SUS304) |
| 設計圧力 | 0.740MPa |
|---|---|
| 試験圧力 | 1.75MPa |
| 耐震 | KH=1.0(KH=1.5、2.0の場合はご相談ください) |
| 水槽構造 | 全溶接構造 |
| 水質基準 | 「水道法に基づく水質基準」に適合した水 |
| 認証 | メーカーによる自己認証 |