事業と製品
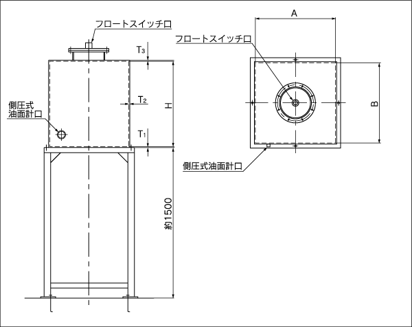
オイルサービスタンク
国土交通省仕様をはじめ各種仕様に対応します
ご照会には次の事項をお知らせ下さい。
- タンク仕様【自社仕様、国土交通省仕様、その他】
- タンク寸法【幅、長さ、高さ(mm)】
- タンク内容量【実容量(ℓ)】
- 油の種類【重油、灯油、軽油、その他】
- 架台 【高さ(mm)】
- 付属品 【フロートスイッチ型番、液面計型番】

自社仕様

| 形式No. | 内容積(ℓ) | 寸法(mm) | 板厚(mm) | 給油口 |
送油口 |
返油口 |
排油口 |
通気口 |
||||
|---|---|---|---|---|---|---|---|---|---|---|---|---|
| A | B | H | T1 | T2 | T3 | |||||||
| MOS-90 | 90 | 400 | 400 | 600 | 3.2 | 3.2 | 3.2 | 25 | 20 | 40 | 20 | 32 |
| MOS-100 | 100 | 450 | 400 | 600 | 3.2 | 3.2 | 3.2 | 25 | 20 | 40 | 20 | 32 |
| MOS-150 | 150 | 500 | 500 | 650 | 3.2 | 3.2 | 3.2 | 25 | 20 | 40 | 20 | 32 |
| MOS-200 | 200 | 600 | 600 | 600 | 3.2 | 3.2 | 3.2 | 25 | 20 | 40 | 20 | 32 |
| MOS-260 | 260 | 600 | 600 | 800 | 4.5 | 4.5 | 3.2 | 25 | 32 | 40 | 25 | 32 |
| MOS-420 | 420 | 750 | 750 | 800 | 4.5 | 4.5 | 3.2 | 25 | 32 | 40 | 25 | 32 |
| MOS-490 | 490 | 800 | 800 | 850 | 4.5 | 4.5 | 3.2 | 32 | 32 | 50 | 25 | 32 |
| MOS-600 | 600 | 800 | 800 | 1000 | 4.5 | 4.5 | 3.2 | 32 | 32 | 50 | 25 | 32 |
| MOS-900 | 900 | 1000 | 1000 | 1000 | 4.5 | 4.5 | 3.2 | 40 | 40 | 65 | 32 | 32 |
国土交通省仕様

| 形式No. | 内容積(ℓ) | 寸法(mm) | 板厚(mm) | 給油口 |
送油口 |
返油口 |
排油口 |
通気口 |
||||
|---|---|---|---|---|---|---|---|---|---|---|---|---|
| A | B | H | T1 | T2 | T3 | |||||||
| TOS-100 | 100 | 400 | 450 | 630 | 3.2 | 3.2 | 3.2 | 25 | 20 | 40 | 20 | 32 |
| TOS-150 | 150 | 500 | 500 | 690 | 3.2 | 3.2 | 3.2 | 25 | 20 | 40 | 20 | 32 |
| TOS-190 | 190 | 500 | 600 | 725 | 3.2 | 3.2 | 3.2 | 25 | 20 | 40 | 20 | 32 |
| TOS-300 | 300 | 600 | 650 | 870 | 4.5 | 4.5 | 3.2 | 25 | 32 | 40 | 25 | 32 |
| TOS-500 | 500 | 800 | 850 | 850 | 4.5 | 4.5 | 3.2 | 32 | 32 | 50 | 25 | 32 |
| TOS-950 | 950 | 1000 | 1000 | 1110 | 4.5 | 4.5 | 3.2 | 40 | 40 | 65 | 32 | 32 |